产品展示|Products

Parker PVS系列叶片泵

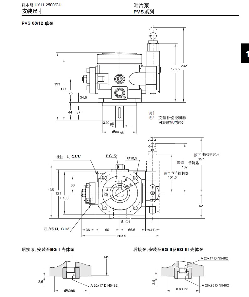
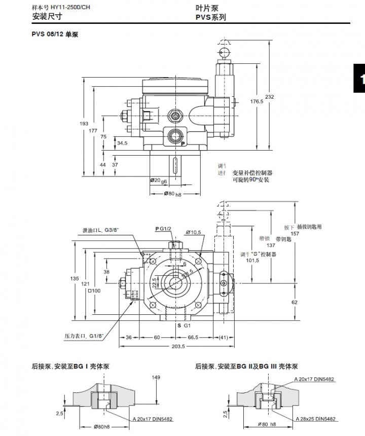
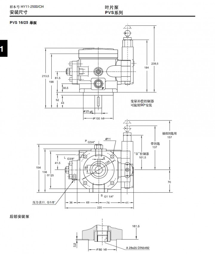
PVS系列叶片泵

 

Parker派克PVS系列变量叶片泵为斜盘式结构,其优点有调节时间短,调节范围宽,噪音低,效率高。

PVS叶片泵排量为8-50 ml/rev,出油口额定压力为140bar,转速范围从1000-1800rpm,适应油液温度为-10至+70摄氏度。粘度范围为22-100mm2/s。

型号有:PVS08, PVS12,PVS16, PVS25, PVS32, PVS40, PVS50等。根据调节器功能不同,此系列变量叶片泵有PVS, PVY, PVD, PVH, PVM, PVK, PVL等。

PVS1PVS2PVS3PVS4